產品中心
聯系我們
聯系人:朱經理
手 機:13506147653
郵 編:213116
傳 真:0519-88906377
郵 箱:market@hcdry.com
網 址:http://m.tianxincentury.com
地 址:江蘇省常州市鄭陸鎮焦溪 工業園區
手 機:13506147653
國內貿易:0519-88910588
0519-88910688
國際貿易:0086-519-81098908郵 編:213116
傳 真:0519-88906377
郵 箱:market@hcdry.com
網 址:http://m.tianxincentury.com
地 址:江蘇省常州市鄭陸鎮焦溪 工業園區
產品詳情 圖片集錦
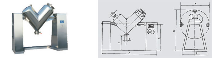
性能特點
混合筒結構獨特,混合功效高、無死角、筒體用不銹鋼材料制作、內外壁拋光、外形美觀、混合均勻、用途廣泛。
適應物料
本機用于醫藥、化工、食品、冶金等工業上的干物料顆?;旌稀?br />
技術規格
| 規格\項目 | 總容積 L |
工作容積 L |
投料量 kg |
投料轉速 rpm |
動力 kw |
重量 kg |
| 0.05 | 50 | 25 | 15 | 25 | 0.55 | 500 |
| 0.15 | 150 | 75 | 45 | 20 | 0.75 | 650 |
| 0.3 | 300 | 150 | 90 | 20 | 1.1 | 820 |
| 0.5 | 500 | 250 | 150 | 18 | 1.5 | 1250 |
| 1 | 1000 | 500 | 300 | 15 | 3 | 1800 |
| 1.5 | 1500 | 750 | 450 | 12 | 4 | 2100 |
| 2 | 2000 | 1000 | 600 | 12 | 5.5 | 2450 |
| 3 | 3000 | 1500 | 900 | 9 | 5.5 | 2980 |
| 4 | 4000 | 2000 | 1200 | 9 | 7.5 | 3300 |
| 5 | 5000 | 2500 | 1500 | 8 | 7.5 | 3880 |
| 6 | 6000 | 3000 | 1800 | 8 | 11 | 4550 |
| 8 | 8000 | 4000 | 2400 | 6 | 15 | 5200 |
| 10 | 10000 | 5000 | 3000 | 6 | 18.5 | 6000 |
暫無相關的視頻...
暫無相關的案例...
轉載請注明出處(ZKH(V)系列混合機:
http://m.tianxincentury.com/products/388.html
)
上一條:FTZB生產型多功能流化床
下一條:SZH系列雙錐混合機
相關文章
- 2024-02-24 > 常州恒誠富士特年初會議
- 2023-12-31 > 常州恒誠富士特干燥設備有限公司年會
- 2021-10-25 > 關于常州市恒誠環保科技有限公司新建1座固定式X射線探傷房項目環評公示
- 2021-06-29 > 關于常州市恒誠環??萍加邢薰拘陆?座固定式X射線探傷房項目環評公示
- 2021-04-30 > 恭喜我公司朱軍總經理榮獲天寧區“十佳”創業明星
- 2021-03-26 > 槳葉干燥發貨啦!
- 2021-02-26 > 壓力容器制造許可證順利獲得,請各位新老用戶多多關照!
- 2021-01-11 > 子公司壓力容器制造許可證評審現場
- 2020-07-21 > 我們一直在努力!
- 2020-07-19 > 雙錐回轉發貨!
相關產品




